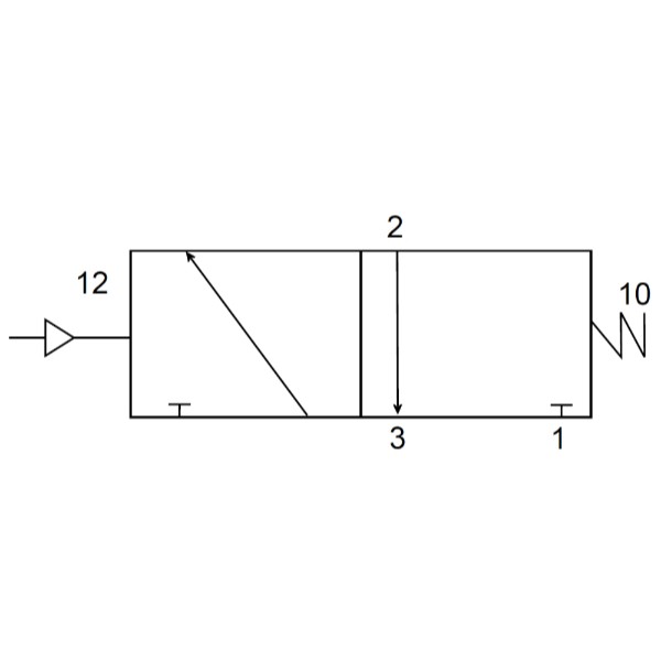
3/2 PILOT SPRING VALVE N/C G1/8
Please see our catalogue for a technical drawing of the valve set-up and positioning. Full range of valves, covering fuel shut off, non-return, pilot or spool or poppet type directional valves in 3/2, 5/2 or 5/3 set ups.








